首頁
協會介紹
協會動態
協會黨建
協會專委會
政策法規
企業推廣
《廣東氣體》期刊
首頁
> 《廣東氣體》期刊
《廣東氣體》期刊
期刊推廣方案
期刊內容
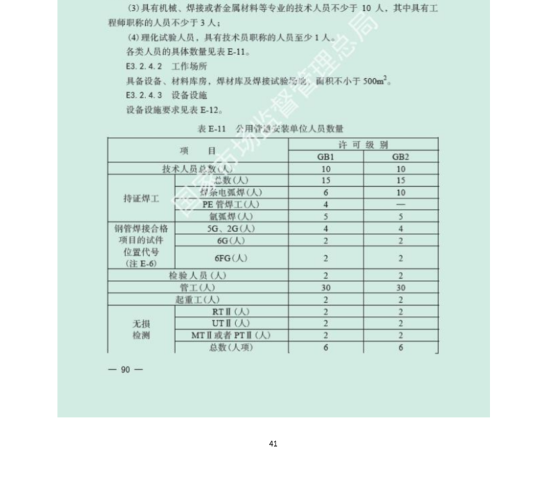
2019年第六期
2026-03-27 20:39:20
【我要打印】
上一篇:
2020年第一期
下一篇:
2019年第五期
協會介紹
|
協會動態
|
協會黨建
|
協會專委會
|
政策法規
|
企業推廣
|
《廣東氣體》期刊
廣州市荔灣區芳村大道東88號新年鴻大廈206室 電話: 郵編:510380
廣東省工業氣體行業協會 All Right Reserved 技術支持:
八點網絡
粵ICP備2020106072號